咨詢電話:15817488109
免費咨詢熱線
15817488109聯系郵箱
2921194817@qq.com命名規則:
24E5550G1605-X-□□□
|
規格 |
說明 |
|
24 |
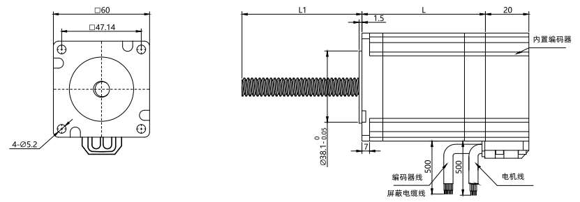
電機外徑:60mm |
|
E |
電機類型:外部驅動式 |
|
55 |
機身長度:55mm |
|
50 |
額定電流:5.0A |
|
G |
絲桿代碼 |
|
X |
配件代碼:E1(1000線編碼器)、E2(2000線編碼器)、 B(剎車)、C(一體式) |
|
□ |
絲桿長度:□mm |
|
□□□ |
絲桿端部加工定制表:G光軸、A一字槽、M內螺紋 |
電機參數:
|
產品型號 |
電壓 |
額定 電流 |
保持 力矩 |
機身長 |
推薦 驅動器 |
|
24E5550G1605-X-□□□ |
2.1V |
5A |
1.5N.m |
55mm |
脈沖型:ISD880 |
|
24E7550G1605-X-□□□ |
2.9V |
5A |
2.5N.m |
75mm |
漢德保電機可根據客戶要求定制:繞線參數、出線方式。
漢德保其他類型驅動器有:功能型(開關型、模擬量型)、總線型(RS485、CANopen、EtherCAT等)
絲桿參數:
|
產品型號 |
絲桿直徑 |
導程 |
精度等級 |
定位精度 |
軸向間隙 |
|
1202 |
12mm |
2mm |
C7 |
±0.05 |
≤0.03 |
|
1205 |
5mm |
||||
|
1210 |
10mm |
請注意:其他絲桿直徑、導程可根據客戶要求定制。
編碼器性能參數
|
編碼器解析度 |
1000線、2000線可選 |
|
工作溫度 |
-20℃-85℃ |
|
儲藏溫度 |
-40℃-85℃ |
|
濕度 |
RH90%max,非冷凝環境 |
|
供電電壓 |
5V |
|
上升/下降沿時間 |
2ms |
|
脈寬 |
100us |